三菱星三角降压启动梯形图
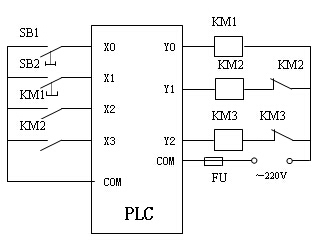
按照三相异步电动机控制原理图(图1)接线或用控制模板代替。图中的Qs为电源刀开关,当KM1、 k3主触点闭合时,电动机星形连接;当KM1、KM2主触点闭合时,电动机三角形连接。
设计一个三相异步电动机星-三角降压启动控制程序,要求合上电源刀开关,按下启动按钮SB2后,电机以星形连接启动,开始转动5S后, kI3断电,星形启动结束。
(1)输入点和输出点分配见表。
表 输入点和输出点分配表


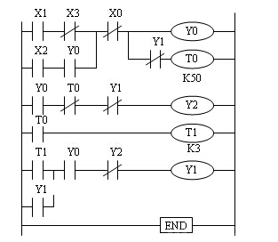
在正常情况下,按下启动按钮后,Yo导通,KM1主触点动作,这时如K1无故障,则其动合触点闭合, x2的动合触点闭合,与Y0的动合触点串联,对Y形成自锁。同时,定时器10开始计时,计时5s。
Yo导通,其动合触点闭合,程序第2行中,后面的两个动断触点处于闭合状态,从而使Y2导通,接触器K3主触点闭合,电机星形启动。当T0计时5s后,使Y2断开,即星形启动结束。该行中的Y1动断触点起互锁作用,保证若已进入三角形全压启动时,接触器KI3呈断开状态。
T0定时到的同时,也就是星形启动结束后,防止电弧短路,需要延时接通KN2,因此,程序第3行的定时器T1起延时0.3s的作用。
T1导通后,程序第4行使Y1导通,KI2主 触点动作,电机呈三角形全压启动。这里的Y2动断触点也起到软互锁作用。由于Y1导通使T0失电,T1也因ro而失电,因此,程序中用y2的动断触点对Y1自锁。
按下停止按钮,Y0失电,从而使Y1或Y2失电,也就是在任何时候,只要按停止按钮,电机都将停转。
(4)运行并调试程序
a.将梯形图程序输入到计算机。
b.下载程序到PLC,并对程序进行调试运行。观察电机在程序控制下能否实现自动星三角降压启动。
c.调试运行并记录调试结果。